Kolano segmentowe TICKA ocynk fi 250 mm 45 stopni system rura spiro
towar niedostępny
-
zapytaj o produkt
-
poleć znajomemu
-
Masz jakieś pytania?
Skontaktuj się z nami
12 682 10 60
Opis
Kolano ocynkowane tłoczone
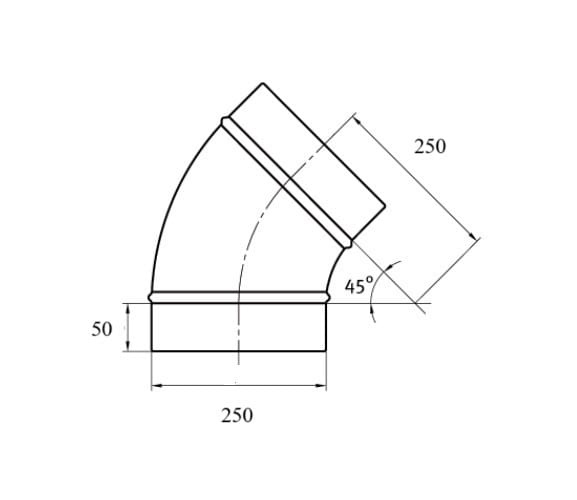
Fi 250 mm / 45 stopni
kod: TK-B-250-45
➡️DANE TECHNICZNE:
✅ Marka: TICKA
✅ Materiał: blacha stalowa ocynkowana, bez uszczelki
✅ Właściwości: kolano segmentowe
✅ Wymiary: średnica 250 mm, kąt 45°
✅ Kolor: ocynk
✅ Waga: 1,04 kg
➡️ ZALETY:
✔️ Wywinięte brzegi - tworzą bezpieczną krawędź zabezpieczającą np. przed przecięciem dłoni podczas montażu elementu.
✔️ Kolanka segmentowe TICKA doskonale sprawdzą się do budowy zarówno prostych instalacji wentylacyjnych grawitacyjnych, jak i bardziej złożonych systemów wentylacji mechanicznej. Znajdują zastosowanie zarówno w budynkach mieszkalnych jak i przemysłowych.
Kolano wentylacyjne TICKA to element, który pozwala na swobodne projektowanie układu wentylacyjnego. Dzięki kątowi 45 stopni można łatwo dopasować je do swoich potrzeb. Kolano jest łatwe w montażu i doskonale współpracuje z innymi elementami systemu wentylacyjnego.
➡️ MONTAŻ:
Kolano TK-B-250-45 TICKA przeznaczone jest do systemów wentylacji, klimatyzacji oraz rekuperacji. Specjalnie tłoczone kolano wentylacyjne stosowane jest do kanałów spiralnych i wentylacyjnych przewodów gładkich. Służy do rozprowadzania powietrza zimnego i ciepłego.
* w przypadku transportu powietrza o bardzo niskich lub bardzo wysokich temperaturach należy zaizolować element lub cały system.
Połączenie z przewodem wentylacyjnym następuje poprzez wsunięcie kolanka do środka kanału.
Kolano wentylacyjne TICKA jest to kształtka wykonana z blachy stalowej, pokrytej warstwą cynku, która zapewnia jej odporność na korozję i wydłuża żywotność.
Kolano służy do budowy okrągłych systemów wentylacyjnych. Jest to trwały i niezawodny element systemu wentylacji. Dzięki swoim właściwościom i łatwości montażu jest szeroko stosowany w różnych rodzajach instalacji.
Jego głównymi zaletami są odporność na korozję, trwałość, łatwy montaż a także szczelność.
Cynkowanie chroni kolano przed rdzą i zapewnia długotrwałe użytkowanie, nawet w wilgotnych warunkach.
➡️ WYMIARY:

Dane techniczne
| Kolor | Stal |
| Średnica [mm] | 250 |
| Materiał | Blacha stalowa ocynkowana |